Yamaha Outboard Parts - Optional Parts 5 - 60FETO (1991) | Flood Marine

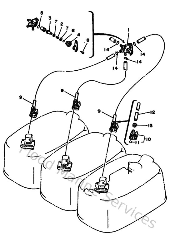
Diagram: Optional Parts 5

Diagram