Yamaha Outboard Parts - Partie Electrique 1 - 25JETO (1997) | Flood Marine
New Search
Parts
New Outboards
Home
25JETO (1997)
Partie Electrique 1
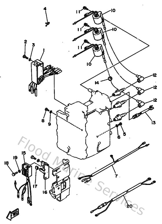
Diagram: Partie Electrique 1
Parts List
Reference
Description
Price
1
6J885540H000
C.d.i. Unit Assembly
Loading…
↗
2
970950602500
Bolt
Loading…
↗
3
929900660000
Washer, plain (646)
Loading…
↗
4
904641603900
Clamp (3y2)
Loading…
↗
5
970800601200
Bolt(gh1)
Loading…
↗
7
6J8825310000
Wire, lead
Loading…
↗
8
970950601200
Bolt(gh1)
Loading…
↗
10
6H4855702100
Ignition coil assembly
Loading…
↗
11
975950642000
Bolt(7u8)
Loading…
↗
12
6G1823702000
Plug cap assembly
Loading…
↗
13
689825600000
Thermo switch assembly
Loading…
↗
14
904802516100
Grommet(656)
Loading…
↗
15
6J8819600000
Rectifier & regulator assembly
Loading…
↗
16
6J8819750000
Plate, rectifier fitting
Loading…
↗
17
689441940000
Cap
Loading…
↗
20
6J8821051000
Battery cable
Loading…
↗