Yamaha Outboard Parts - Power Trim & Tilt Assy - 60FETO (1991) | Flood Marine
New Search
Parts
New Outboards
Home
60FETO (1991)
Power Trim & Tilt Assy
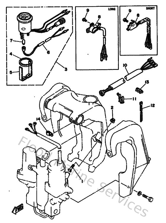
Diagram: Power Trim & Tilt Assy
Parts List
Reference
Description
Price
1
688433760100
Bolt, thrust receiver
Loading…
↗
2
957800830000
Nut, nylon (6j8)
Loading…
↗
3
6Y5836700100
Trim Meter
Loading…
↗
4
688836640000
Damper
Loading…
↗
5
6Y5835770000
Plate, fitting
Loading…
↗
6
6Y5835362000
Socket, Meter
Loading…
↗
7
6Y5835180000
Bulb (12v-1.7w) t6.5
Loading…
↗
8
6H1836721000
Trim Sender
Loading…
↗
9
925800601600
Screw pan head
Loading…
↗
10
6E5825531000
Extension, Wire Harness
Loading…
↗
11
9046415M0800
Clamp (6h1)
Loading…
↗
12
904651009800
Clamp
Loading…
↗
13
703821190000
Cover, lead wire
Loading…
↗
14
904650802800
Clamp (1e6)
Loading…
↗