Yamaha Outboard Parts - Power Trim & Tilt Assy 2 - 60FETO (1991) | Flood Marine
New Search
Parts
New Outboards
Home
60FETO (1991)
Power Trim & Tilt Assy 2
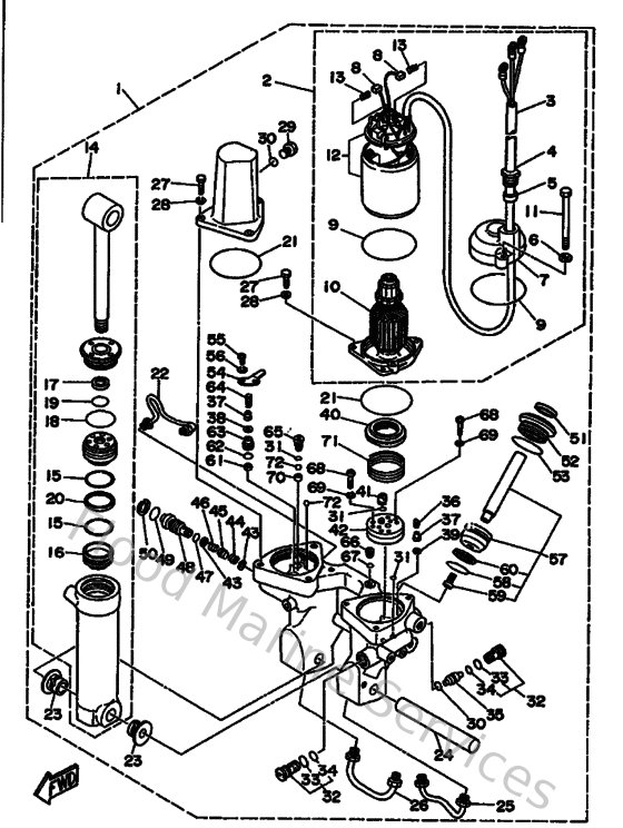
Diagram: Power Trim & Tilt Assy 2
Parts List
Reference
Description
Price
2
6H1438800000
Motor Assembly
Loading…
↗
14
6H1438401100
Power tilt assembly
Loading…
↗
15
6H1438611000
O-ring
Loading…
↗
16
6H1438141100
Piston, free
Loading…
↗
17
6H1438721000
Ring, back up
Loading…
↗
18
6H1438610000
O-ring
Loading…
↗
19
932101839700
O-ring (6g5)
Loading…
↗
20
65W438710000
Ring, back up
Loading…
↗
21
6H1438691000
O-Ring
Loading…
↗
22
6H1438351000
Pipe
Loading…
↗
23
9038618M1400
Bushing (6e5)
Loading…
↗
24
6E5438180000
Pin, lower shock mount
Loading…
↗
25
6H1438331000
Pipe
Loading…
↗
26
6H1438340000
Pipe
Loading…
↗
27
970800602000
Bolt(7u8)
Loading…
↗
28
929900610000
Washer(6a1)
Loading…
↗
29
6H1438290000
Plug, reservoir
Loading…
↗
30
932100981100
O-ring
Loading…
↗
31
932100651900
O-ring(6h0)
Loading…
↗
32
6T4438020000
Valve sub assembly
Loading…
↗
33
9321012N5200
O-ring
Loading…
↗
34
6H1438670000
O-ring
Loading…
↗
35
6H1438411000
Piston, shuttle
Loading…
↗
36
6H1438561000
Spring, down relief
Loading…
↗
37
6H1438441000
Pin, valve support
Loading…
↗
38
6H14384G1100
Seal, relief valve
Loading…
↗
39
6H14384F1000
Seal, main valve
Loading…
↗
40
6H1438170100
Filter 2
Loading…
↗
41
6H1438310000
Connector, shaft
Loading…
↗
42
6H1438301100
Gear pump assembly
Loading…
↗
43
6H1438470000
Seat, manual valve
Loading…
↗
44
6H1438990000
Spring, manual release
Loading…
↗
45
6H14382A1000
Adaptor 1
Loading…
↗
46
6H1438540000
Spring, manual release
Loading…
↗
47
9321010M7400
O-ring
Loading…
↗
48
6H1438450100
Screw, manual release
Loading…
↗
49
9321018M7500
O-ring (6e5)
Loading…
↗
50
6H1438750000
Ring, snap
Loading…
↗
51
6H1438221000
Seal, trim dust
Loading…
↗
52
6H1438211100
Screw, trim cylinder end
Loading…
↗
54
6H14384E2000
Spring, trim
Loading…
↗
55
985010501000
Screw, pan head(62x)
Loading…
↗
56
929900520000
Ybs66-5 washer, plain
Loading…
↗
57
6H1438201100
Piston sub assembly
Loading…
↗
58
6H1438640000
O-ring
Loading…
↗
59
913160602000
Bolt,socket
Loading…
↗
60
6H1438740000
Ring, back up
Loading…
↗
61
6H1438160000
Filter 1
Loading…
↗
62
6H1438960000
O-ring (2h7)
Loading…
↗
63
6H1438951100
Seat, relief valve
Loading…
↗
64
6H1438551000
Spring, up relief
Loading…
↗
65
6H1438431100
Screw, valve lock
Loading…
↗
66
6H14388E1100
Plug, tapper screw
Loading…
↗
67
6H1438680000
O-ring
Loading…
↗
68
985010402500
Screw, pan head
Loading…
↗
70
6H14387J0000
Washer, special 2
Loading…
↗
71
6H14385H0000
Spring, seal
Loading…
↗
72
935053203800
Ball(7fk)
Loading…
↗