Yamaha Outboard Parts - Remote Control - 25DMH (1987) | Flood Marine
New Search
Parts
New Outboards
Home
25DMH (1987)
Remote Control
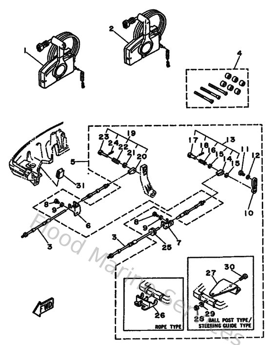
Diagram: Remote Control
Parts List
Reference
Description
Price
1
703482301000
Remote control assembly (7p)
Loading…
↗
2
703482201000
Remote control assembly (7p)
Loading…
↗
3
701483200000
Cable, Remote Control L=12F
Loading…
↗
4
703482900100
Twin attachment
Loading…
↗
5
68948501218D
Remote cont. attachment assembly.
Loading…
↗
6
656485315000
Bracket, remote control 1
Loading…
↗
7
689485325000
Bracket, remote control 2
Loading…
↗
8
973950601600
Bolt, hexagon deep recess
Loading…
↗
10
6484853450EJ
Throttle Lever, Con Control
Loading…
↗
11
970800601200
Bolt(gh1)
Loading…
↗
12
929900660000
Washer, plain (646)
Loading…
↗
13
648483405000
Cable end assembly
Loading…
↗
14
617483469000
Cable end, remote control
Loading…
↗
15
929900820000
Ybs66-8 washer, plain
Loading…
↗
16
905011026400
Spring 6174833290
Loading…
↗
17
617483619000
Hook, cable
Loading…
↗
18
916903001200
Pin, spring
Loading…
↗
19
648483305000
Cable end assembly
Loading…
↗
20
648483465000
Cable,end remote control 3
Loading…
↗
22
905011007100
Spring 6044833200
Loading…
↗
23
617483319000
Hook, cable
Loading…
↗
25
904802203900
Grommet 648485655000
Loading…
↗
26
700485101200
Hook steering assembly
Loading…
↗
27
689485110000
Hook, steering
Loading…
↗
28
901851005100
Nut, self-locking
Loading…
↗
29
929901060000
Washer, plate
Loading…
↗
30
973951004000
Bolt, hexagon deep recess
Loading…
↗
31
676427244000
Grommet 1
Loading…
↗