Yamaha Outboard Parts - Repair Kit 1 - 85AET (2000) | Flood Marine
New Search
Parts
New Outboards
Home
85AET (2000)
Repair Kit 1
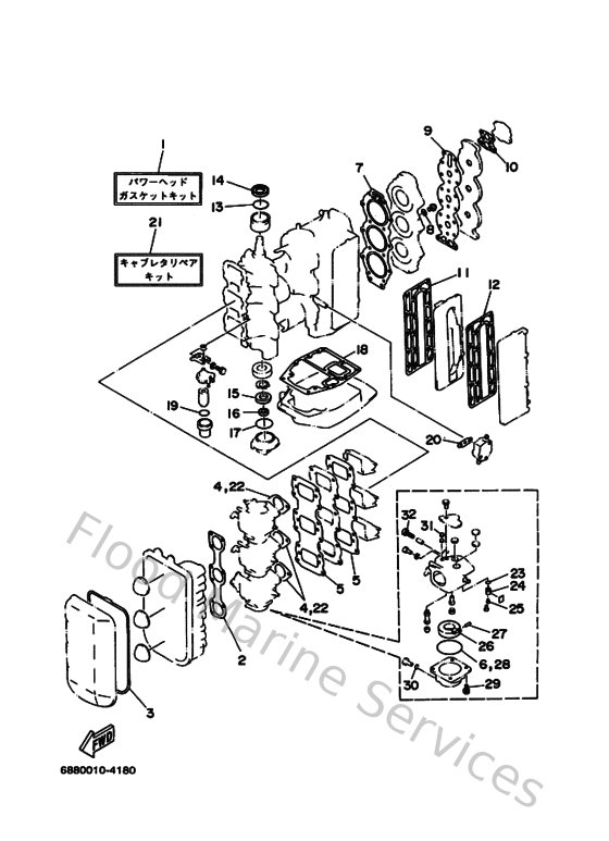
Diagram: Repair Kit 1
Parts List
Reference
Description
Price
1
688W00010200
Power head gasket kit
Loading…
↗
2
68814483A000
Gasket
Loading…
↗
3
688144160100
Gasket, air cleaner
Loading…
↗
4
68814198A200
Gasket
Loading…
↗
5
68813621A100
Gasket, valve seat
Loading…
↗
6
676149840000
Gasket, float chamber
Loading…
↗
7
68811181A100
Gasket, cylinder head 1
Loading…
↗
8
904301411500
Gasket (663)
Loading…
↗
9
68811193A100
Gasket, head cover 1
Loading…
↗
10
68812414A100
Gasket, cover
Loading…
↗
11
68841112A000
Gasket, exhaust inner cover
Loading…
↗
12
68841114A000
Gasket, exhaust outer cover
Loading…
↗
13
9321046M1600
O-ring (688)
Loading…
↗
14
9310236M0200
Oil seal(52w)
Loading…
↗
15
9310230M0500
Oil seal (688)
Loading…
↗
16
9310420M0200
Oil seal (688)
Loading…
↗
17
932106226900
Ring, o(663)
Loading…
↗
18
68845113A000
Gasket, upper casing
Loading…
↗
19
932103273800
O-ring(1wg)
Loading…
↗
20
65024431A000
Gasket,fuel pump
Loading…
↗
21
6H1W00930100
Carburetor repair kit
Loading…
↗
23
932100422800
O-ring (371)
Loading…
↗
24
692145900000
Needle valve assembly
Loading…
↗
25
676141860000
Pin, valve
Loading…
↗
26
676149850100
Float comp
Loading…
↗
27
688145480000
Pin, arm
Loading…
↗
29
979800411400
Screw, pan head(ga5)
Loading…
↗
30
932100423000
O-ring (371)
Loading…
↗
31
663141260000
Packing
Loading…
↗
32
692149230000
Screw, adjusting
Loading…
↗