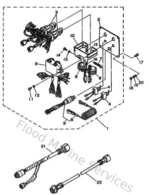
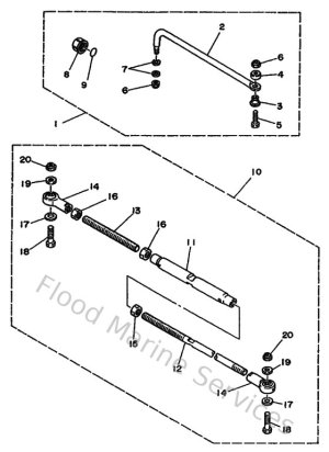
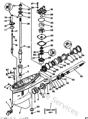
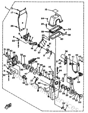
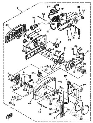
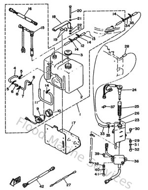
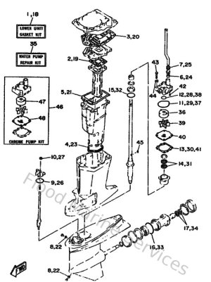
Diagram Sections: 115BETOL (1989)

Download as PDF