Diagram Sections: 220AETL (1985)
Download as PDF-
Bottom Cowling
-
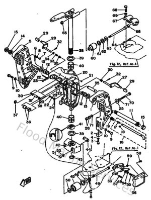
Bracket
-
Carburetor
-
Control
-
Crankshaft & Piston
-
Cylinder & Crankcase
-
Electric Motor
-
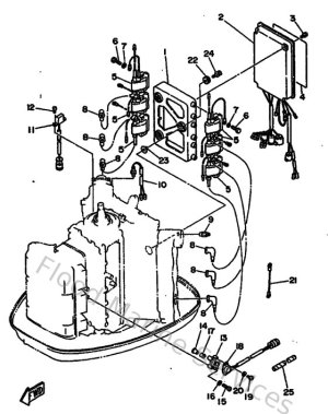
Electric Parts 2
-
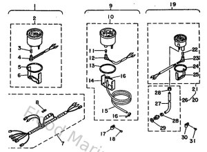
Electrical 1
-
Electrical 3
-
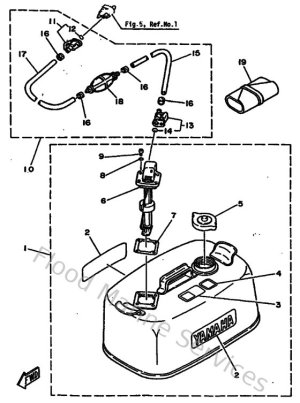
Fuel 1
-
Fuel 2
-
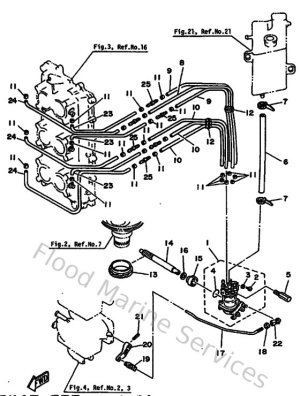
Intake
-
Lower Casing & Drive 1
-
Lower Casing & Drive 2
-
Magneto
-
Oil Pump
-
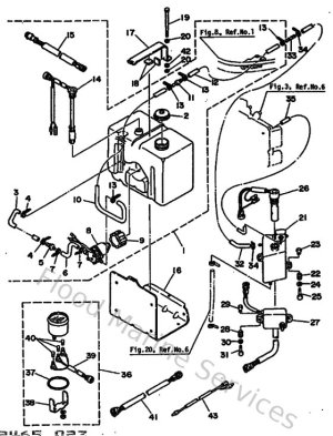
Oil Tank
-
Optional Parts 1
-
Optional Parts 2
-
Optional Parts 3
-
Optional Parts 4
-
Optional Parts 5
-
Power Trim & Tilt Assy
-
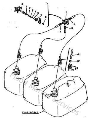
Remote Control
-
Remote Control Assy
-
Repair Kit
-
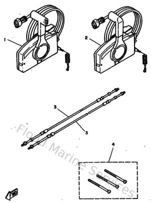
Steering Guide
-
Top Cowling
-
Upper Casing