New Search
Parts
New Outboards
Diagram Sections: 2BMH (1994)
Download as PDF
Boitier Dhelice, Transmissio
Bracket 1
Capot, Section Dalimentation
Carburetor
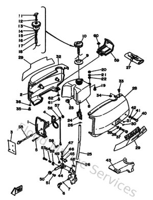
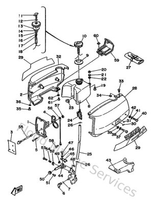
Cowling & Fuel
Cylinder & Crankcase
Cylinder. Crankcase
Kits De Reparation
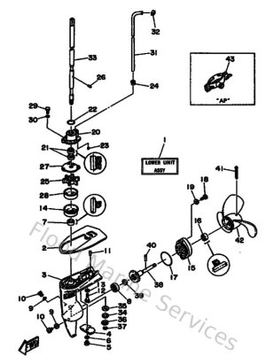
Lower Casing & Drive
Starter
Upper Casing