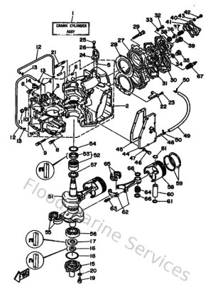
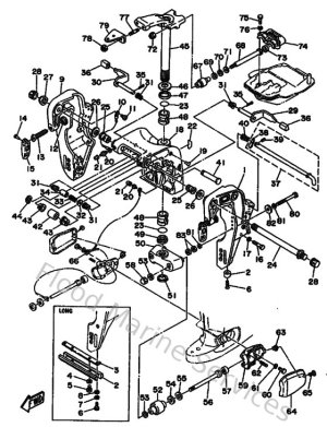
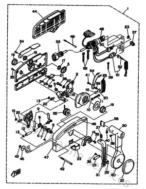
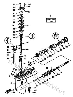
Diagram Sections: 55BM (1990)

Download as PDF