Diagram Sections: 55BM (2001)
Download as PDF-
Bottom Cowling
-
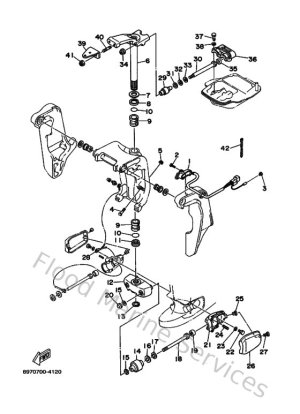
Bracket 1
-
Bracket 2
-
Control
-
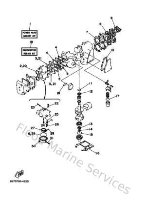
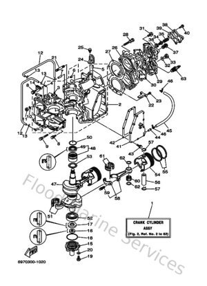
Cylinder & Crankcase
-
Electrical 1
-
Electrical 2
-
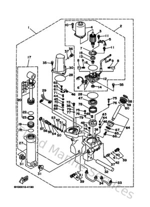
Fuel
-
Fuel Tank
-
Generator
-
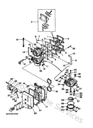
Intake
-
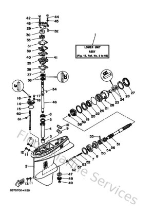
Lower Casing & Drive 1
-
Lower Casing & Drive 2
-
Meter
-
Power Trim & Tilt Assy
-
Remote Control Assy 1
-
Remote Control Box
-
Repair Kit 1
-
Repair Kit 2
-
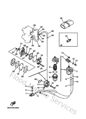
Starting Motor
-
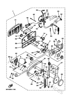
Top Cowling
-
Upper Casing