Diagram Sections: 6DEM (1992)
Download as PDF-
Alternate 2
-
Alternate 3
-
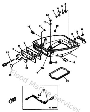
Bottom Cowling
-
Bracket 1
-
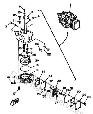
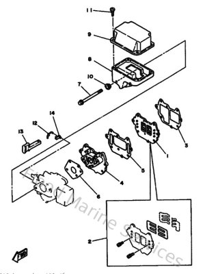
Carburetor
-
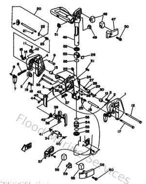
Control
-
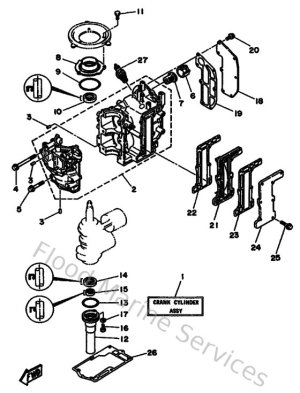
Crankshaft & Piston
-
Cylinder & Crankcase
-
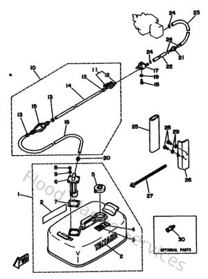
Fuel
-
Intake
-
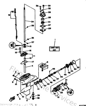
Lower Casing & Drive 1
-
Lower Casing & Drive 2
-
Magneto
-
Optional Parts 1
-
Optional Parts 2
-
Optional Parts 3
-
Remote Control
-
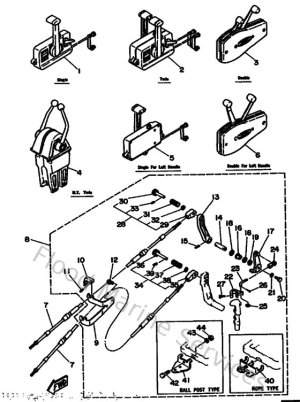
Remote Control Assy 1
-
Repair Kit
-
Starter
-
Steering
-
Top Cowling
-
Upper Casing