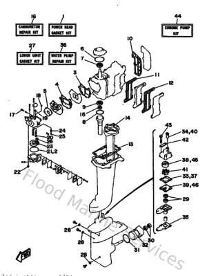
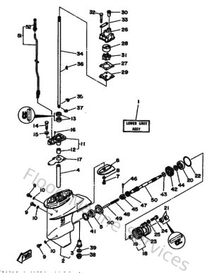
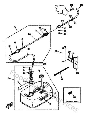
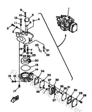
Diagram Sections: 6DEM (1993)

Download as PDF