New Search
Parts
New Outboards
Diagram Sections: 80AETOL (1997)
Download as PDF
Bottom Cowling
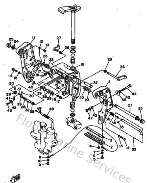
Bracket 1
Bracket 2
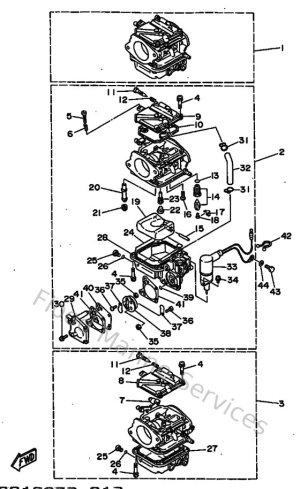
Carburetor
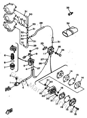
Control
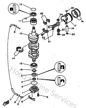
Crankshaft & Piston
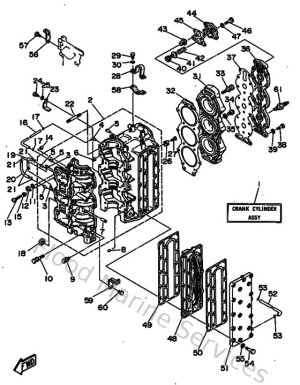
Cylinder & Crankcase
Demarreur Electrique
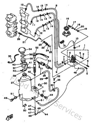
Fuel
Generatrice
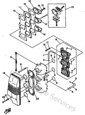
Intake
Kits De Reparation 1
Kits De Reparation 2
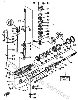
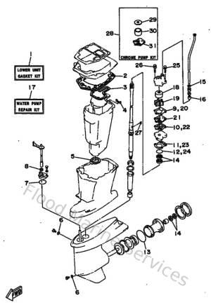
Lower Casing & Drive
Oil Pump
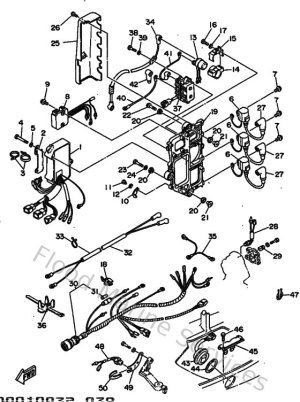
Partie Electrique 1
Power Trim & Tilt Assy
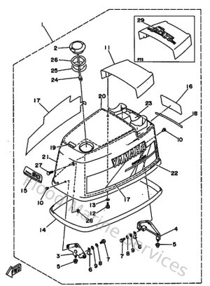
Top Cowling
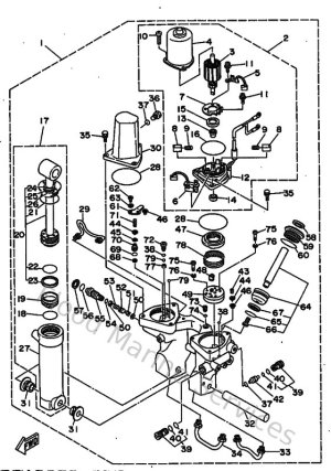
Upper Casing