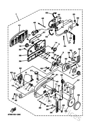
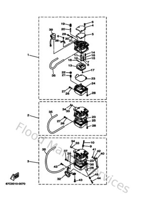
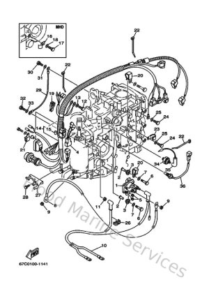
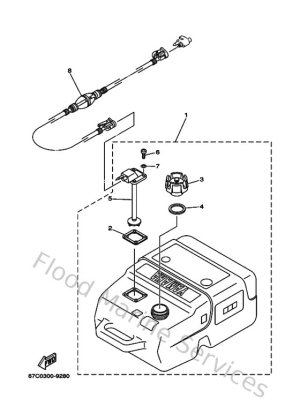
Diagram Sections: F40BM (2001)

Download as PDF