Diagram Sections: F9.9BMH (1994)
Download as PDF-
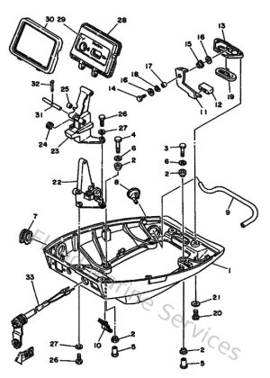
Bottom Cowling
-
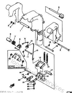
Bracket 1
-
Bracket 2
-
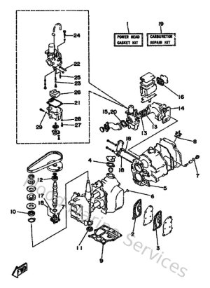
Carburetor
-
Control
-
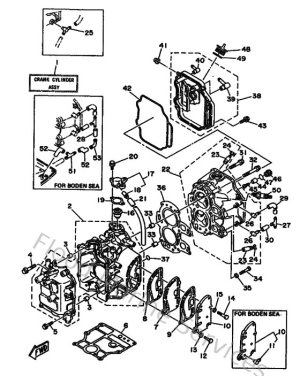
Crankshaft & Piston
-
Cylinder & Crankcase
-
Demarreur Electrique
-
Fuel
-
Generator
-
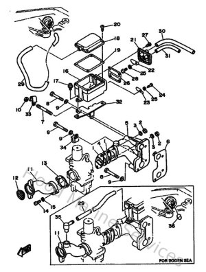
Intake
-
Kits De Reparation 1
-
Kits De Reparation 2
-
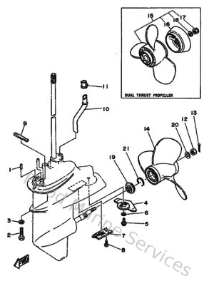
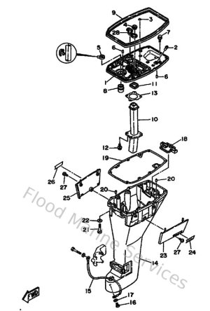
Lower Casing & Drive
-
Oil Pan
-
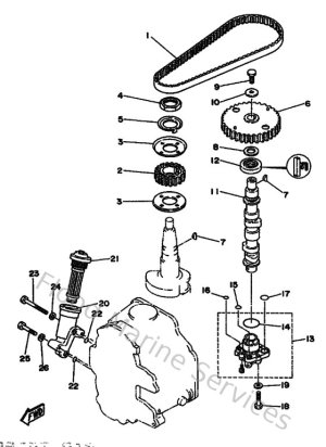
Oil Pump
-
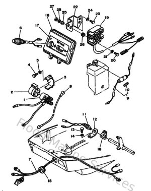
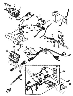
Partie Electrique 1
-
Partie Electrique 2
-
Partie Electrique 3
-
Starter
-
Steering
-
Top Cowling
-
Upper Casing
-
Valve