Diagram Sections: P200ETOL (1994)
Download as PDF-
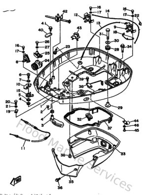
Bottom Cowling
-
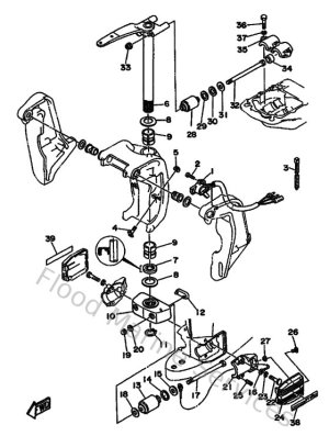
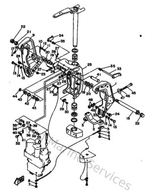
Bracket 1
-
Bracket 2
-
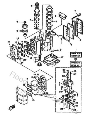
Carburetor
-
Control
-
Crankshaft & Piston
-
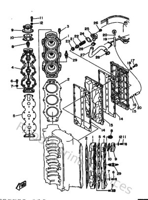
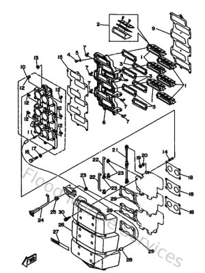
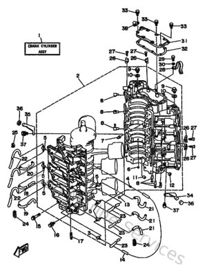
Cylinder & Crankcase 1
-
Cylinder & Crankcase 2
-
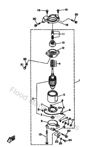
Demarreur Electrique
-
Fuel
-
Generator
-
Intake
-
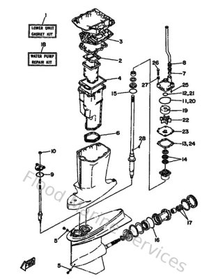
Kits De Reparation 1
-
Kits De Reparation 2
-
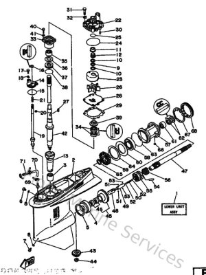
Lower Casing & Drive
-
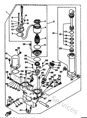
Oil Pump
-
Oil Tank
-
Partie Electrique 1
-
Partie Electrique 2
-
Power Trim & Tilt Assy
-
Top Cowling
-
Upper Casing